- Технические характеристики и другая информация предоставляются для справки.
- Чертежи и изображения представлены для ознакомления
Подшипник роликовый самоустанавливающийся 23248-E 1-K + AH 2348
Подшипник роликовый самоустанавливающийся 23248-E1-K + AH2348 предназначен, главным образом, для эксплуатации в условиях аксиальных воздействий. Существуют варианты в однорядном и двухрядном исполнении. В первом случае неразъемная конструкция закрепляется при помощи втулок и включает бочкообразные роликоподшипники, сепаратор, толстостенную внешнюю обойму сферической формы и внутреннее широкое кольцо с бортиками, в котором иногда располагается посадочное гнездо под цилиндрическую или коническую посадочную основу. Второй тип имеет двухрядный набор тел качения и способен к восприятию как аксиальных, так и осевых нагрузок.
Каковы отличительные черты Подшипник роликовый самоустанавливающийся 23248-E1-K + AH2348?
-  Деталь является самоцентрирующейся, то есть позволяет выравнивать перекосы, возникающие в процессе ее установки, компенсирует прогиб валов, несоосность. 
-  Применяется в барабанных лебедках, врубовых агрегатах, угольных комбайнах, мощных редукторах, шнеках, крановых скатах и так далее. 
-  Обладает высокой грузоподъемностью и износостойкостью даже при ударных темпах работы. 
В каталоге магазина для заказа онлайн доступен Подшипник роликовый самоустанавливающийся 23248-E1-K + AH2348 ГОСТ или его (аналоги ISO) и прочие высококачественные модели от компаний FAG, KOYO, NSK, SKF, SNR по доступной стоимости!
Технические характеристики
Обозначение : 23248-E1-K + AH2348
Размеры, мм : 220x440x160
Производитель : FAG
Диаметр внутренний, мм : 220
Диаметр наружный, мм : 440
Высота, мм : 160
Технические данные из каталога производителя :
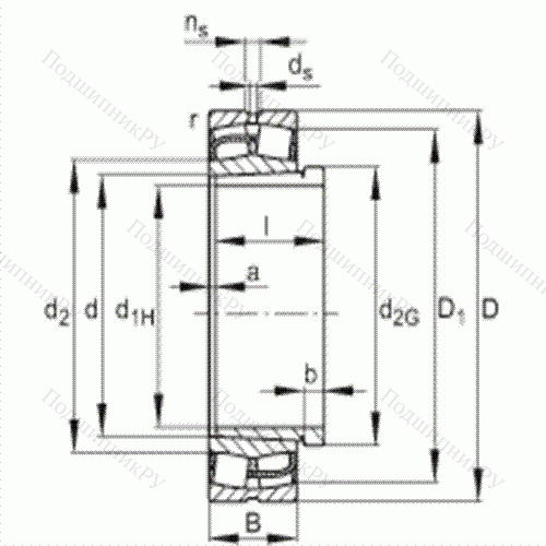
d1H - 220 mm
D - 440 mm
B - 160 mm
a - 8 mm
b - 30 mm
D1 - 370,8 mm
Da max - 423 mm
d - 240 mm
d2 - 280,8 mm
d2G - Tr260X4
da min - 257 mm
ds - 12,5 mm
l - 189 mm
ns - 23,5 mm
ra max - 3 mm
rmin - 4 mm
- AH2348 / Условное обозначение, стяжная втулка
m - 102 kg / Вес
m1 - 15,6 kg / Вес, стяжная втулка
Cr - 2850000 N
e - 0,36
Y1 - 1,87
Y2 - 2,79
C0r - 4000000 N / статическая грузоподъемность, радиальная
Y0 - 1,83
nG - 1500 1/min / Предельная частота вращения
nB - 780 1/min / Базовая тепловая частота вращения
Cur -
Основные размеры по DIN 635-2, с коническим отверстием и стяжной втулкой
| 
																Производитель
															 | FAG | 
| 
																Ширина B
															 | 160 | 
| 
																Внешний диаметр D
															 | 440 | 
| 
																Внутренний диаметр d
															 | 220 | 
| 
																Размер
															 | 220x440x160 | 
| 
																Вес, кг
															 | 102 | 
| 
																Модель
															 | 23248-E1-K---AH2348-FAG | 
| 
																SKU
															 | 23248-E1-K---AH2348-FAG | 
Похожие по размеру
Оформить заказ на нашем сайте легко. Просто добавьте выбранные товары в корзину, а затем перейдите на страницу Корзина, проверьте правильность заказанных позиций и нажмите кнопку «Оформить заказ» или «Быстрый заказ».
Функция «Быстрый заказ» позволяет покупателю не проходить всю процедуру оформления заказа самостоятельно. Вы заполняете форму, и через короткое время вам перезвонит менеджер магазина. Он уточнит все условия заказа, ответит на вопросы, касающиеся качества товара, его особенностей. А также подскажет о вариантах оплаты и доставки.
По результатам звонка, пользователь либо, получив уточнения, самостоятельно оформляет заказ, укомплектовав его необходимыми позициями, либо соглашается на оформление в том виде, в котором есть сейчас. Получает подтверждение на почту или на мобильный телефон и ждёт доставки.
Если вы уверены в выборе, то можете самостоятельно оформить заказ, заполнив по этапам всю форму.
Выберите из списка название вашего региона и населённого пункта. Если вы не нашли свой населённый пункт в списке, выберите значение «Другое местоположение» и впишите название своего населённого пункта в графу «Город». Введите правильный индекс.
	 В зависимости от места жительства вам предложат варианты доставки. Выберите любой удобный способ. 
	
	Оплата
Выберите оптимальный способ оплаты.
Введите данные о себе: ФИО, адрес доставки, номер телефона. В поле «Комментарии к заказу» введите сведения, которые могут пригодиться курьеру, например: подъезды в доме считаются справа налево.
Проверьте правильность ввода информации: позиции заказа, выбор местоположения, данные о покупателе. Нажмите кнопку «Оформить заказ».
Наш сервис запоминает данные о пользователе, информацию о заказе и в следующий раз предложит вам повторить к вводу данные предыдущего заказа. Если условия вам не подходят, выбирайте другие варианты.

 
                                            
                                        
