- Технические характеристики и другая информация предоставляются для справки.
- Чертежи и изображения представлены для ознакомления
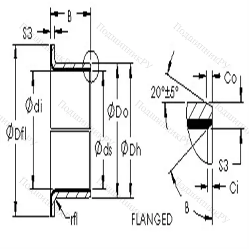
Втулка скольжения, дюймовая серия AST 50 06FIB 12
Втулка скольжения, дюймовая серия AST50 06FIB12 конструкция которого представлена внешним кольцом, внутри вращается внутренняя обойма. Существуют прямые, шарнирные (самовыравнивающиеся), угловые, гидравлические, двойные шарикоподшипниковые и роликоподшипниковые варианты исполнения. Отдельные разновидности изделий (с парой трения «сталь – сталь») нуждаются в обслуживании и имеют каналы для подачи смазки, в то время как другие не нуждаются в ТО. В первом случает система включает в себя пару стальных шин, обработанную предварительно фосфатами и дисульфитом молибдена. Необслуживаемые модели покрываются политетрафторэтиленом, армируются медью и дополнительно усиливаются хромом.
Каковы преимущества Втулка скольжения, дюймовая серия AST50 06FIB12?
- Деталь самоцентрируется в процессе монтажа, автоматически устраняя перекосы вала и несоосность.
- Воспринимает одновременно нагрузки разнонаправленного типа: аксиальную и действующую в обоих направлениях осевую.
- Отличается крайне высокой износостойкостью, минимальной ползучестью и способностью работать в ударных темпах.
Покупайте Втулка скольжения, дюймовая серия AST50 06FIB12 ГОСТ или его (аналоги ISO) по выгодной цене, также заказывайте другие изделия среди модельного ряда нашего онлайн-каталога от производителей FAG, KOYO, NSK, SKF, SNR!
Технические характеристики
Обозначение : AST50 06FIB12
Производитель : AST
Диаметр внутренний, мм : 9,525
Технические данные из каталога производителя :
(размеры в дюймах)
Bearing Type - flanged
Shaft Dia., Nominal (d) - 0.3750
Shaft Size (ds) - 0.374 - 0.3731
Housing Bore Dia. (Dh) - 0.4691 - 0.4684
Bearing Bore after Mounting (di) - 0.3769 - 0.3742
Average Clearance (Cd) - 0.0020
Wall Thickness (S3) - 0.047
Bearing Length, Nominal (B) - 0.750
Bearing Length Tolerance (B tol.) - +.010 / -0.010
OD Chamfer Length (Co) - 0.023
ID Chamfer Angle (B deg.) - 30
ID Chamfer Length (Ci) - 0.014
Flange Dia. (Dfl pm 0.5) - 0.690
Flange Thickness (Sfl) - 0.048
Flange Radius (rfl) - 0.040
Material - Carbon steel shell with PTFE / Fiber lining
This bearing can be used dry or with lubrication.
Please review the technical information on the requirements for the mating shaft.
|
Производитель
|
AST |
|
Внутренний диаметр d
|
9 |
|
Размер
|
9 |
|
Модель
|
AST50-06FIB12-AST |
|
SKU
|
AST50-06FIB12-AST |
|
Диаметр вала d1
|
0.3750 |
Похожие по размеру
Оформить заказ на нашем сайте легко. Просто добавьте выбранные товары в корзину, а затем перейдите на страницу Корзина, проверьте правильность заказанных позиций и нажмите кнопку «Оформить заказ» или «Быстрый заказ».
Функция «Быстрый заказ» позволяет покупателю не проходить всю процедуру оформления заказа самостоятельно. Вы заполняете форму, и через короткое время вам перезвонит менеджер магазина. Он уточнит все условия заказа, ответит на вопросы, касающиеся качества товара, его особенностей. А также подскажет о вариантах оплаты и доставки.
По результатам звонка, пользователь либо, получив уточнения, самостоятельно оформляет заказ, укомплектовав его необходимыми позициями, либо соглашается на оформление в том виде, в котором есть сейчас. Получает подтверждение на почту или на мобильный телефон и ждёт доставки.
Если вы уверены в выборе, то можете самостоятельно оформить заказ, заполнив по этапам всю форму.
Выберите из списка название вашего региона и населённого пункта. Если вы не нашли свой населённый пункт в списке, выберите значение «Другое местоположение» и впишите название своего населённого пункта в графу «Город». Введите правильный индекс.
В зависимости от места жительства вам предложат варианты доставки. Выберите любой удобный способ.
Оплата
Выберите оптимальный способ оплаты.
Введите данные о себе: ФИО, адрес доставки, номер телефона. В поле «Комментарии к заказу» введите сведения, которые могут пригодиться курьеру, например: подъезды в доме считаются справа налево.
Проверьте правильность ввода информации: позиции заказа, выбор местоположения, данные о покупателе. Нажмите кнопку «Оформить заказ».
Наш сервис запоминает данные о пользователе, информацию о заказе и в следующий раз предложит вам повторить к вводу данные предыдущего заказа. Если условия вам не подходят, выбирайте другие варианты.
