- Технические характеристики и другая информация предоставляются для справки.
- Чертежи и изображения представлены для ознакомления
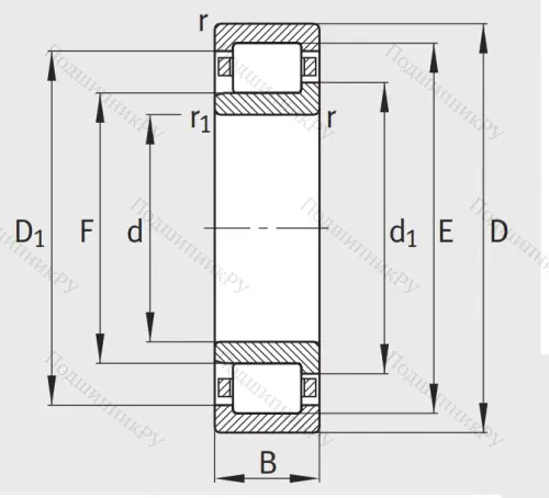
Роликовый цилиндрический подшипник NJ 305 E XL TVP 2
Роликовый цилиндрический подшипник NJ 305 E XL TVP2 является разновидностью однорядного роликоподшипника радиального типа. Конструктивно выполнен из наружного кольца с двумя направляющими бортами, задающими движение тел качения, внутренней обоймы с одним бортом, цилиндрических роликов и сепаратора.
Его техническое решение позволяет выполнять одностороннюю фиксацию вала, исключая его смещения, обусловленные температурным расширением. Последнее компенсируется за счёт осевых перемещений обойм относительно друг друга.
Подшипник является разборным (внутреннее кольцо, съёмное).
Производится с нормальным классом точности. Имеет стандартный аксиальный внутренний зазор С0 (по умолчанию). В зависимости от типа, последний может быть уменьшенным (С2), весьма увеличенным (С4) либо увеличенным (С5).
Характеристика Роликовый цилиндрический подшипник NJ 305 E XL TVP2, являющаяся его преимуществом!
- простота установки и демонтажа;
- максимальная стабильность посадки в опорах, относящихся к тяжело нагруженным;
- допустимость применения в качестве фиксированной опоры.
Планируете закупку серии Роликовый цилиндрический подшипник NJ 305 E XL TVP2 с оптимальным соотношением стоимости, качества и долговечности? Выберите его по нашему каталогу, и закажите прямо сейчас.
| Бренд | FAG |
| Внутренний диаметр d | 25 мм |
| Внешний диаметр D | 62 мм |
| Ширина B(H) | 17 мм |
|
Производитель
|
FAG |
|
Ширина B
|
17 |
|
Внешний диаметр D
|
62 |
|
Внутренний диаметр d
|
25 |
|
Размер
|
25x62x17 |
|
Модель
|
NJ 305 E XL TVP2 |
Похожие по размеру
Оформить заказ на нашем сайте легко. Просто добавьте выбранные товары в корзину, а затем перейдите на страницу Корзина, проверьте правильность заказанных позиций и нажмите кнопку «Оформить заказ» или «Быстрый заказ».
Функция «Быстрый заказ» позволяет покупателю не проходить всю процедуру оформления заказа самостоятельно. Вы заполняете форму, и через короткое время вам перезвонит менеджер магазина. Он уточнит все условия заказа, ответит на вопросы, касающиеся качества товара, его особенностей. А также подскажет о вариантах оплаты и доставки.
По результатам звонка, пользователь либо, получив уточнения, самостоятельно оформляет заказ, укомплектовав его необходимыми позициями, либо соглашается на оформление в том виде, в котором есть сейчас. Получает подтверждение на почту или на мобильный телефон и ждёт доставки.
Если вы уверены в выборе, то можете самостоятельно оформить заказ, заполнив по этапам всю форму.
Выберите из списка название вашего региона и населённого пункта. Если вы не нашли свой населённый пункт в списке, выберите значение «Другое местоположение» и впишите название своего населённого пункта в графу «Город». Введите правильный индекс.
В зависимости от места жительства вам предложат варианты доставки. Выберите любой удобный способ.
Оплата
Выберите оптимальный способ оплаты.
Введите данные о себе: ФИО, адрес доставки, номер телефона. В поле «Комментарии к заказу» введите сведения, которые могут пригодиться курьеру, например: подъезды в доме считаются справа налево.
Проверьте правильность ввода информации: позиции заказа, выбор местоположения, данные о покупателе. Нажмите кнопку «Оформить заказ».
Наш сервис запоминает данные о пользователе, информацию о заказе и в следующий раз предложит вам повторить к вводу данные предыдущего заказа. Если условия вам не подходят, выбирайте другие варианты.



