- Технические характеристики и другая информация предоставляются для справки.
- Чертежи и изображения представлены для ознакомления
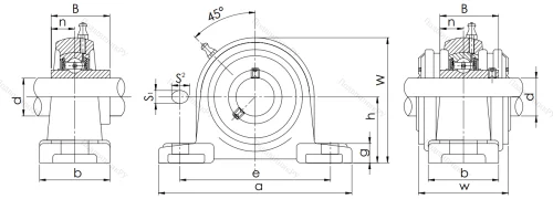
Подшипниковый узел UCP 317

В конструкцию детали входит корпусный подшипник типа UC, установленный в корпус типа Р из чугуна с нишей сферической формы. Монтаж на вал осуществляется посредству кольца, оснащенного парой штифтов, закручиваемых шестигранником, что обеспечивает самовыравнивание.
Каковы плюсы и отличия устройства Подшипниковый узел UCP 317?
- Заполнен изнутри смазочным материалом с литиевым загустителем и не требует обслуживания на протяжение всего срока эксплуатации.
- В редких случаях нуждается в дополнительном смазывании через специальные отверстия масленки, если температура во время работы поднимается до +70С и выше, имеют место загрязненная или влажная среда, чрезмерные нагрузки (как очистить загрязненный подшипник посмотрите тут).
- Работает при средних и небольших скоростях, небольших нагрузках, температуре от -20С до +110С.
На страницах нашего интернет-каталога вам доступны для заказа детали из серии Подшипниковый узел UCP 317 с необходимыми размерами, наружным: D - от 0мм до 250мм и внутренним диаметром: d - 85мм!
| Бренд | CRAFT |
| Внутренний диаметр d | 85 мм |
| Внешний диаметр D | 0 мм |
| Ширина B(H) | 0 мм |
Похожие по размеру
Оформить заказ на нашем сайте легко. Просто добавьте выбранные товары в корзину, а затем перейдите на страницу Корзина, проверьте правильность заказанных позиций и нажмите кнопку «Оформить заказ» или «Быстрый заказ».
Функция «Быстрый заказ» позволяет покупателю не проходить всю процедуру оформления заказа самостоятельно. Вы заполняете форму, и через короткое время вам перезвонит менеджер магазина. Он уточнит все условия заказа, ответит на вопросы, касающиеся качества товара, его особенностей. А также подскажет о вариантах оплаты и доставки.
По результатам звонка, пользователь либо, получив уточнения, самостоятельно оформляет заказ, укомплектовав его необходимыми позициями, либо соглашается на оформление в том виде, в котором есть сейчас. Получает подтверждение на почту или на мобильный телефон и ждёт доставки.
Если вы уверены в выборе, то можете самостоятельно оформить заказ, заполнив по этапам всю форму.
Выберите из списка название вашего региона и населённого пункта. Если вы не нашли свой населённый пункт в списке, выберите значение «Другое местоположение» и впишите название своего населённого пункта в графу «Город». Введите правильный индекс.
В зависимости от места жительства вам предложат варианты доставки. Выберите любой удобный способ.
Оплата
Выберите оптимальный способ оплаты.
Введите данные о себе: ФИО, адрес доставки, номер телефона. В поле «Комментарии к заказу» введите сведения, которые могут пригодиться курьеру, например: подъезды в доме считаются справа налево.
Проверьте правильность ввода информации: позиции заказа, выбор местоположения, данные о покупателе. Нажмите кнопку «Оформить заказ».
Наш сервис запоминает данные о пользователе, информацию о заказе и в следующий раз предложит вам повторить к вводу данные предыдущего заказа. Если условия вам не подходят, выбирайте другие варианты.


